Описание
- Описание
- Принцип работы
- Отличительные особенности
- Применение
- Технические характеристики
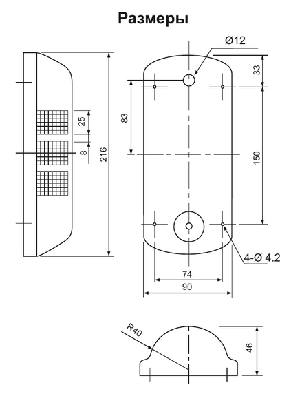
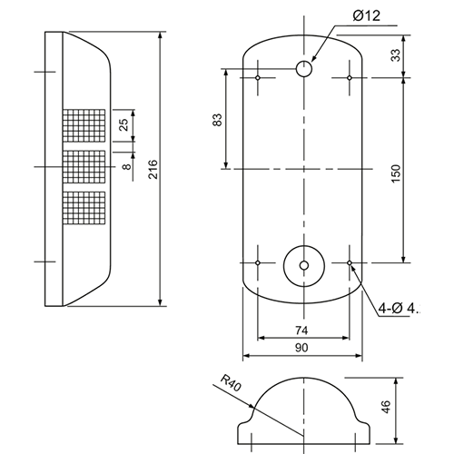
- Размеры
- 3D модели
- Документация
-
Применяется для дублирования сигналов в операторском помещении;
-
Применяется как сигнализатор разрешения/запрещения входа и выхода;
-
Адаптивность – есть возможность установки на вертикальных поверхностях;
-
Эстетичный дизайн – важно для установки в пространствах с выдержанной визуальной концепцией;
-
Степень защиты: IP 54 – оборудование можно эксплуатировать в умеренно пыльных помещениях, где фракция пыли составляет не менее одного мм., а также гарантирует защиту от брызг воды с любых направлений;
-
Источник света – светодиод, обеспечивающий долговечность и энергосбережение;
-
Отсутствие необходимости в техническом обслуживании.
- станки;
- конвейеры;
- автоматические ворота и шлагбаумы;
- индикация уровня заполнения в бункерах и резервуарах;
- робототехнические ячейки
- складская логистика
|
Напряжение питания |
Переменный ток꞉ 220В 50/60Гц +/‑10% Постоянный ток꞉ 24В пост. ток +/‑10% |
|
Потребляемый ток |
Светодиодный модуль: 70мА Звуковой сигнал: 40мА |
|
Режим работы |
Мигание, постоянное свечение |
|
Звуковой сигнал |
Постоянный, «включение-выключение» |
|
Уровень громкости |
Фиксированный, 80дБ |
|
Класс защиты корпуса |
IP 54 |
|
Виброустойчивость |
0,75 мм при 10-55 Гц |
|
Температура окружающей среды |
-20...+50 С |
|
Температура хранения |
-40...+70 С |
|
Влажность |
45...85% относительной влажности |
|
Общий вес |
прибл. 0,4 кг. |

Для получения файлов, необходимо заполнить форму
Ваша заявка успешно отправлена.
Загрузка 3D-моделей (файлов) запустится автоматически в ближайшее время.
Все товары категории
Заполните данные поля и мы с Вами свяжемся в течение нескольких минут
Остались вопросы?
Мы свяжемся с вами в ближайшее время
Укажите адрес электронной почты, куда мы направим каталог
Заполните данные поля, и мы с Вами свяжемся в течение дня.
Если Вы - руководитель компании, занимающейся автоматизацией и/или продажей компонентов для автоматизации как основным видом деятельности и желаете обсудить вопрос торгового партнерства (представлять продукты собственных марок Промситех (INNOVARI, INNORED, INNOVERT, INNOLEVEL, INNOCONT, а также Baumer и Autonics)в своем регионе, просьба заполнить данный опросный лист
Он будет рассмотрен отделом регионального развития Промситех в течение 1-2 дней. Мы свяжемся с Вами по указанным контактным данным для обсуждения этого вопроса (Радмила Цыплина, r.tsiplina@promsytex.ru)
Заполнение опросного листа займет 10-20 минут. Опросный лист нужен для получения общего представления о деятельности Вашей фирмы для принятия решения о дальнейшей совместной работе.
Заполните данные поля и мы с Вами свяжемся в течение нескольких минут
Ваша заявка была успешно отправлена. Мы с Вами свяжемся в течение дня.
Ваша заявка была успешно отправлена. Мы с Вами свяжемся в течение дня.
Ваш запрос был успешно отправлен.
Каталог был отправлен на указанную электронную почту.
Ваша заявка была успешно отправлена. Мы с Вами свяжемся в ближайшее время.
Она будет рассмотрена Дилерским отделом ПРОМСИТЕХ в течение 1-2 дней. Мы свяжемся с Вами по указанным контактным данным для обсуждения этого вопроса (Радмила Цыплина, Руководитель дилерского отдела, r.tsiplina@promsytex.ru)
Спасибо за использование лицензионного ПО InnoControl!
Мы уже отбираем для вас самое интересное, чтобы вы ничего не пропустили.